Ev / Ürün / Küçük AC Dişli Motoru / 3000W Serisi

Küçük AC Dişli Motoru Tedarikçiler

  • 3000W Serisi
  • 3000W Serisi
  • 3000W Serisi
  • 3000W Serisi
Küçük AC Dişli Motoru

3000W Serisi

Motor Gücü: 3000W yatay veya dikey kurulum

Faz: tek faz / üç faz

Dişli oranı: 3-1800K

Motor seçimi: 3 fazlı motor 220V-240V/380V-415V, 50Hz/60Hz; 1 faz motoru, 220V, 50Hz/60Hz; 1 faz motoru, 110V, 50Hz / 60Hz

Çıkış mili çapı: φ32mm φ40mm φ50mm

  • 3000W Serisi
  • 3000W Serisi
  • 3000W Serisi
  • 3000W Serisi
BAŞVURU ALAN
Biz, AC dişli redüktör motorları, küçük redüktör motorları, servo-spesifik planet redüktörler, DC fırçasız ve fırçasız motorlar ve diğer ürünlerin üretimi ve satışına adanmış yüksek teknolojili bir kuruluşuz.
  • Lojistik sıralama

  • Otomatik Robotlar

  • lazer kesimi

  • Erişim Kontrol Kapısı

  • Fotovoltaik elektrik santrali

  • Tıbbi cihazlar

  • AGV

Ürün Açıklaması

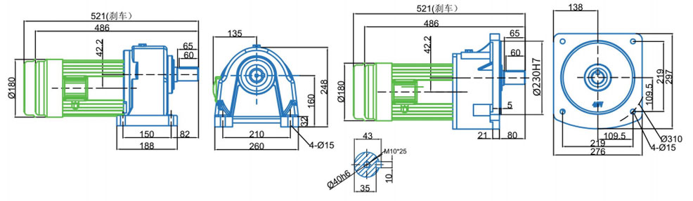
CH32/CV32-3000W- (Azaltılmış Kutu 1: 30 ~ 60 Oran) Boyut Diyagramı

CH40/CV40-3000W Yüksek Spesifik Sayı Diyagramı

CH40/CV40-3000W - (Standart kutu oranı 1: 3 ~ 60) (Azaltılmış Kutu Oranı 1: 70 ~ 200) Boyutlu Çizim

CH50/CV50-3000W (1: 210 veya daha yüksek oran) Boyut Diyagramı

CH50/CV50-3000W - (Standart Kutu 1: 70 ~ 200 oran) Boyutlu Çizim

Elektrik Makineleri Parametresi

Elektrik Makineleri Parametresi

Güç (KW)

Tip

Voltaj (V)

Frekans (HZ)

Değerlendirilmiş akım (a)

Nominal Döndürme Hızı (RMP)

Kapasitörler (μF)

Yalıtım sınıflandırması

Koruyucu sistem

3kw

Üç aşamalı

220V/380V

50Hz

14.2a/8.3a

1420rmp

/

F

IP54

3000W- (1: 3-120 dijital oranı) tork tablosu

GERA oranı

3

5

10

15

20

25

30

40

50

60

70

80

90

100

120

140

160

180

200

300

1200

1800

Çıktı R.P.M.

50Hz

500

300

150

100

75

60

50

37

30

25

21.4

18.8

16.7

15

12.5

10.7

9.4

8.4

7.5

5

1.25

0.83

60Hz

600

360

180

120

90

72

60

45

36

30

25.7

22.5

20

18

15

12.9

11.3

10

9

6

1.5

1

Çıkış torku kg/m

50Hz

4.9

8.9

17.9

26.8

35.2

43.8

52.5

69.2

85.9

102.5

124.3

142

159.8

177.5

213

60Hz

4.4

7.8

15.6

23.3

29.2

38.8

46.2

60.9

75.7

90

101.9

116.5

131

145.5

174.7

Tablodaki hız, 50Hz/60Hz, 1420r.min/1732r.min'de motorun nominal hızına göre hesaplanır.

Gerçek hız, yaklaşık ±%5'lik bir varyasyon aralığı ile yükün büyüklüğüne göre biraz değişecektir. .

+ Ayrıntılı ürün parametrelerini anlayın
Bize Ulaşın
  • Upload

Hakkımızda
Zhejiang Saiya Akıllı Üretim A.Ş., Ltd.
Zhejiang Saiya Intelligent Manufacturing Co., Ltd. 2009 yılında kurulan, 15 yıllık endüstri birikimine sahip, Mikro AC dişli motorları, küçük AC dişli motorları, fırçalı DC dişli motorları, BLDC fırçasız DC dişli motorları, Hassas Planet dişli kutusu ve motor silindiri...vb. üretimi ve satışı konusunda uzmanlaşmış yüksek teknolojili bir kuruluştur. Biz Çin Toptan Satış 3000W Serisi Tedarikçiler Ve OEM/ODM 3000W Serisi Üreticiler, Saiya motorları ve dişli kutuları endüstriyel robotlarda, akıllı lojistikte, yeni enerji makinelerinde, AGV robotlarında ve diğer gelişmiş alanlarda yaygın olarak kullanılmaktadır. Ayrıca, gıda işleme, paketleme, tekstil, elektronik, tıbbi ekipman ve özel makinelerde kritik roller üstlenerek çeşitli endüstriler için uygun maliyetli ve farklılaştırılmış çözümler sunmaktadır. Farklılaşma ve maliyet etkinliğindeki avantajlarımızı artırmak için, Şanghay ve Ningbo limanlarına yakın olan Hangzhou, Zhejiang da bulunan Hangzhou Saiya Transmission Equipment Co., LTD adlı kendi ticaret şirketimiz var, yurtiçi ve yurtdışı işlerini ele almak, hem doğrudan satış hem de dağıtımla birleştirmek, küresel dağıtım ve müşteri desteği sağlamak, tüm müşterilerimize yüksek kaliteli ekonomik ve güvenilir çözümler sunmak.

Kurum Kültürü

Gerçek Güvenilir
Kalite Doğal Olarak Öne Çıkar.

Temel değerler: Kendini geliştirmek ve başkalarına bakmak.

Görüş:Akıllı iletim alanında servis uzmanı olun.

Misyonumuz:Müşteriler için yüksek kaliteli hizmetler sunun ve değer yaratın.

Hizmet felsefesi:Tüm çalışanların maddi ve manevi mutluluğunu gözetmek ve insan toplumunun ilerlemesine ve gelişmesine katkıda bulunmak.

  • 2009

    Kuruluş
  • 80+

    Kadro
  • 5+

    Üretim Hattı
Haberler